HARDWARE Nov 2002

Mechanical:...

Mechanical layout of the spectrometer includes two pressure chambers, filter and camera lens housings above a stable frame. CCD camera dewar goes under the chambers. There are vacuum and pressure tight windows between the sides of the chambers on the optical path.


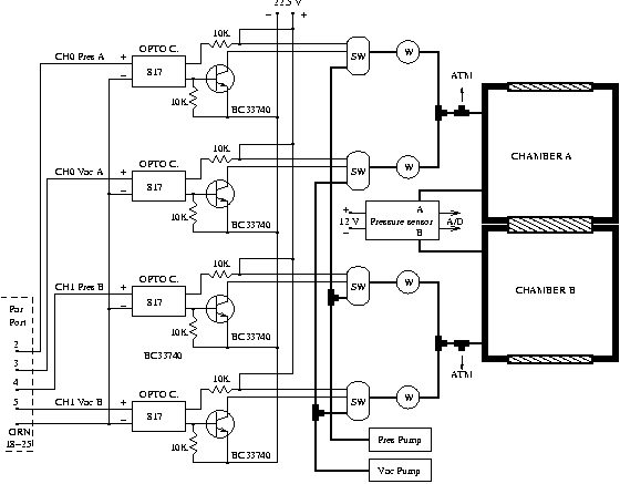
Absolute pressure in each of the chamber are measured by sensors, sampled by an A/D converter and the valves are controlled by a data aquisition system. A mechanical vacuum pump and N2 gas controls the pressure between 0.02 and 2.00 bars.



Software:...

Pressure control system and monitoring is performed by a PC (RedHat Linux). Pressure sensors and temperature sensors are connectred to an A/D converter card (PCL-818H High Performance DAS). An aquisition daemon samples the proper sensors, controls the pressure and vacuum valves for both chambers through parallel port. The status of the pressure system are logged and diplayed. PCl driver and the daemon is written in C and rest of the control scripts are in PERL

Control Input: Desired chamber pressures and tolerances are suppied through a simple interface.


Status Monitor: Chamber status and the ambient temperatures are monitored and logged online.




Umit Kiziloglu